-
可提供試壓報告
所有般德的產品,均可提供出廠試壓報告。
-
閥體壁承壓能力強
閥體壁厚滿足GB 26640的要求,厚度厚,承壓強度有保障。
-
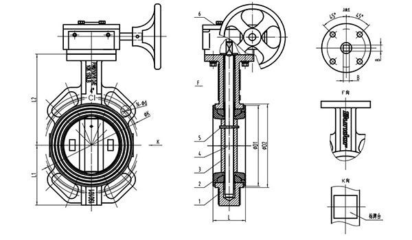
蝶板銷子強度高,耐磨損
有銷蝶閥的銷子采用調質處理,強度高,耐磨損,連接安全可靠。
-
閥座耐用壽命
密封件可以更換、密封性能可靠達到雙向密封零泄漏。
-
寬邊閥座,密封性能可靠
閥座為寬邊閥座,寬邊閥座有利于閥門的安裝,在管道上與法蘭凸臺接觸面寬,密封性能可靠,安裝精度要求低于窄邊閥座。
-
閥座軸向帶凹臺
閥座軸向帶凹臺,裝有O型圈,能實現閥座軸向的二次密封。
-
閥軸支撐有力,軸向密封可靠
閥軸與閥體配合采用4道無油軸承,3道O型密封,閥軸支撐更有力,軸向密封更可靠。
-
標牌外觀漂亮,連接牢靠
標牌采用304材質,使用激光刻標,字跡清晰,存留時間長。使用不銹鋼鉚釘固定,外觀更漂亮,連接更牢靠。
-
產品優點
產品介紹
般德D371X-10/16-DN100蝸輪對夾蝶閥,產品配置:對夾灰鐵多標準體,DI鍍鎳板,45#軸,寬邊50%含膠量EPDM閥座,IP65蝸輪頭。主要應用于市政建設、水利工程、給排水、水處理等領域。
產品參數
| 執行標準 | 名稱 | 設計及制造 | 結構長度 | 試壓標準 | |||||||
| 參照標準 | GB/T 12238 | GB/T 12221 | GB/T 13927 | ||||||||
| 零部件信息 | 名稱 | 閥體 | 閥座 | 蝶板 | 閥軸 | 驅動方式 | 螺栓 | 銷子 | |||
| 材質及說明 | CI | 寬邊50%含膠量EPDM | DI鍍鎳 | 45# | 渦輪 | 201 | 304 | ||||
| 尺寸信息 | 公稱尺寸 | PN 10 | PN 16 | Class150 | JIS 10K | ||||||
| DN | NPS(英寸) | L | ΦK | N-Φd | ΦK | N-Φd | ΦK | N-Φd | ΦK | N-Φd | |
| 50 | 2" | 43 | 125 | 4-Φ18 | 125 | 4-Φ18 | 120.7 | 4-Φ19 | 120 | 4-Φ19 | |
| 65 | 2 1/2" | 46 | 145 | 4-Φ18 | 145 | 4-Φ18 | 139.7 | 4-Φ19 | 140 | 4-Φ19 | |
| 80 | 3" | 46 | 160 | 8-Φ18 | 160 | 8-Φ18 | 152.4 | 4-Φ19 | 150 | 8-Φ19 | |
| 100 | 4" | 52 | 180 | 8-Φ18 | 180 | 8-Φ18 | 190.5 | 8-Φ19 | 175 | 8-Φ19 | |
| 125 | 5" | 56 | 210 | 8-Φ18 | 210 | 8-Φ18 | 215.9 | 8-Φ22.4 | 210 | 8-Φ23 | |
| 150 | 6" | 56 | 240 | 8-Φ22 | 240 | 8-Φ22 | 241.3 | 8-Φ22.4 | 240 | 8-Φ23 | |
| 200 | 8" | 60 | 295 | 8-Φ22 | 295 | 12-Φ22 | 298.4 | 8-Φ22.4 | 290 | 12-Φ23 | |
| 250 | 10" | 68 | 350 | 12-Φ22 | 355 | 12-Φ26 | 361.9 | 12-Φ25.4 | 355 | 12-Φ25 | |
| 300 | 12" | 78 | 400 | 12-Φ22 | 410 | 12-Φ26 | 431.8 | 12-Φ25.4 | 400 | 16-Φ25 | |
產品專利
新型蝶閥閥體專利 CN201520267217.9
般德閥門專利閥體,蝶閥閥體能適用于主要工業國家對管道側法蘭的規定安裝,增加了蝶閥的適用范圍。
蝶閥外觀專利 CN201830771212.9
采用般德閥門專利閥體外觀。
蝶閥寬邊閥座專利 CN201520397103.6
般德閥門專利寬邊閥座,閥座具有密封面寬、密封效果好、安裝拆卸簡單等效果,大大地解決了傳統蝶閥閥座密封面泄漏等問題。
語言:簡體中文
English
Русский
簡體中文












