-
精密鑄造閥體
閥體為精密鑄造閥體,二次拋丸處理、外觀精細,無沙眼;
-
精密數控機床加工
內件采用精密數控機床加工,保證精度;
-
不銹鋼304球體
球體為不銹鋼304球;
-
雙層壓力檢測
每臺閥門出廠均按照國家標準做殼體、密封雙層壓力檢測。
-
-
-
-
-
產品優點
產品介紹
蝸輪球閥在管路中主要用來做切斷、分配和改變介質的流動方向;球閥的工作原理是靠旋轉閥芯來使閥門暢通或閉塞。球閥開關輕便,體積小,可以做成很大口徑,密封可靠,結構簡單,維修方便,密封面與球面常在閉合狀態,不易被介質沖蝕,在各行業得到廣泛的應用。
產品參數

執行標準 | 名稱 | 設計及制造 | 結構長度 | 試壓標準 | 法蘭標準 | |||
參照標準 | GB/T 12237 ANSI B16.34 |
GB/T 12221 ANSI B16.10 |
GB/T 13927 API 598 |
JB/T 79 ANSI B16.5 |
||||
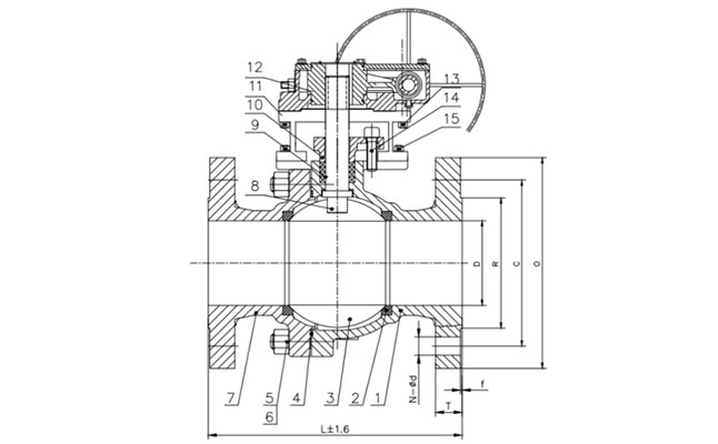
主要零部件信息 | 名稱 | 1-閥體 | 2-閥座密封 | 3-球體 | 8-閥桿 | 12-蝸輪 | ||
材質及說明 | CF8 | PTFE | 304 | 304 | 組件 | |||
尺寸信息 | SIZE | PN16 | 150LB | |||||
DN | NPS | L | ΦO | ΦC | L | ΦO | ΦC | |
50 | 2'' | 200 | 160 | 125 | 178 | 152 | 120.5 | |
65 | 2 1/2'' | 220 | 180 | 145 | 190 | 178 | 139.5 | |
80 | 3'' | 250 | 195 | 160 | 203 | 190 | 152.5 | |
100 | 4'' | 280 | 215 | 180 | 229 | 229 | 190.5 | |
125 | 5'' | 320 | 245 | 210 | 356 | 254 | 216 | |
150 | 6'' | 360 | 280 | 240 | 394 | 279 | 241.5 | |
200 | 8'' | 400 | 335 | 295 | 457 | 343 | 298.5 | |
250 | 10'' | 450 | 405 | 355 | 533 | 406 | 362 | |
300 | 12'' | 620 | 460 | 410 | 610 | 482.6 | 431.8 |
