-
結構簡單緊湊
結構簡單緊湊,重量較輕,便于裝拆和維修。
-
操作扭距較小
操作扭距較小,轉90°啟閉輕便迅速。
-
流阻小
流阻小,流量特性近似傾斜直線,節能效果好。
-
密封可靠
密封可靠,泄漏為零,使用壽命長。
-
耐腐蝕性更強
不銹鋼+聚四氟乙烯材質,耐腐蝕性更強。
-
-
-
-
產品優點
產品介紹
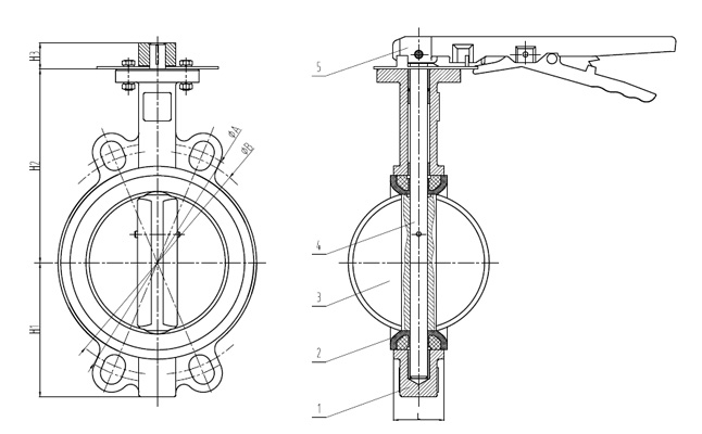
D71F-16P不銹鋼襯四氟蝶閥由四氟密封蝶閥和不銹鋼蝶板、閥桿構成。閥體采用不銹鋼304、316,密封圈為聚四氟,具有良好的耐腐蝕性,使用壽命長。對夾式連接,閥門的安裝、拆卸、使用都非常方便。整個蝶閥小巧輕便,密封性可靠,抗酸抗腐蝕性強,在供排水,發電,石油,化工,冶煉等領域都有廣泛應用,適用于各種介質。
產品參數
D71F不銹鋼四氟蝶閥參數信息
| 閥門執行標準 | 名稱 | 設計及制造 | 結構長度 | 試壓標準 | 上法蘭尺寸 | 側法蘭尺寸 | ||
| 參照標準 | GB/T 12238-2008 | GB/T 12221-2008 | GB/T 13927-2008 | ISO 5211 | CLASS 150/PN16/10K/BS PN16 | |||
| 主要零部件信息 | 名稱 | 1-閥體 | 2-閥座 | 3-蝶板 | 4-閥軸 | 5-手柄 | ||
| 材質 | 不銹鋼 | 聚四氟乙烯 | 不銹鋼 | 不銹鋼 | DI/AI/304 | |||
| 尺寸信息 | DN | IN | H1 | H2 | H3 | ∅A | ∅B | L |
| DN50 | 2" | 75 | 139 | 32 | 125 | 105 | 43 | |
| DN65 | 2.5" | 83.5 | 152.5 | 32 | 145 | 140 | 46 | |
| DN80 | 3" | 96 | 160 | 32 | 160 | 150 | 46 | |
| DN100 | 4" | 116.5 | 173.5 | 32 | 190.5 | 175 | 52 | |
| DN125 | 5" | 128.5 | 191.5 | 32 | 216 | 200 | 56 | |
| DN150 | 6" | 140.2 | 205.2 | 32 | 241.3 | 225 | 56 | |
| DN200 | 8" | 176 | 242 | 40 | 298.4 | 280 | 60 | |
語言:簡體中文
English
Русский
簡體中文












