-
操作靈活
結構獨特,操作靈活,可以越關越緊,密封性能可靠。
-
使用壽命長
密封副材料選用不銹鋼和丁腈耐油橡膠配對,延長了使用壽命。
-
滿足飲用水標準
可提供滿足飲用水標準的橡膠閥座和環氧噴涂。
-
蝶板強度高
蝶板采用框架結構,強度高,過流面積大,流阻小。
-
整體烤漆
整體烤漆,有效防止了銹蝕的發生,僅需更換密封閥座密封材料,就可在不同介質中使用。
-
雙向密封
雙向密封,安裝不受介質流向控制,也不受空間位置的影響,可在任何方向安裝。
-
-
-
產品優點
產品介紹
D971X-16Q電動蝶閥在工業自動化控制領域中起到很大的作用。它屬于電動閥門和電動調節閥中的一個品種。廣泛用于紡織、電站、石油化工、供熱制冷、冶金、輕工、環保等領域。D971X寬邊對夾電動蝶閥可用做管道系統的切斷,控制介質的流通。附帶手動控制裝置,一旦出現電源故障,可以臨時用手動操作,不至于影響使用。該產品符合嚴格的質量要求,能夠非常持久的應用,特別是在冶金鋼鐵行業,有著非常高的知名度。
產品參數
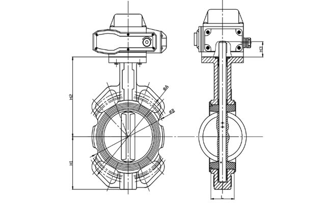
D971X-16Q電動蝶閥參數信息
| 執行標準 | 名稱 | 設計及制造 | 結構長度 | 試壓標準 | 上法蘭尺寸 | 側法蘭尺寸 | ||
| 參照標準 | GB/T 12238-2008 | GB/T 12221-2008 | GB/T 13927-2008 | ISO 5211 | CLASS150/PN6/PN10/PN16/ 5K/10K/TABLE D/TABLE E |
|||
| 零部件信息 | 名稱 | 閥體 | 閥座 | 蝶板 | 閥軸 | 電動執行器 | ||
| 材質及說明 | 球墨鑄鐵DI | EPDM | DI | 不銹鋼410 | 組件 | |||
| 尺寸信息 | DN | NPS(英寸) | H1 | H2 | H3 | ∅A | ∅B | L |
| DN50 | 2" | 75 | 129 | 32 | 125 | 105 | 43 | |
| DN65 | 2.5" | 82 | 136 | 32 | 145 | 127 | 46 | |
| DN80 | 3" | 99 | 153 | 32 | 160 | 145 | 46 | |
| DN100 | 4" | 110 | 167 | 32 | 190.5 | 165 | 52 | |
| DN125 | 5" | 125 | 193 | 32 | 216 | 200 | 56 | |
| DN150 | 6" | 145 | 209 | 32 | 241.3 | 225 | 56 | |
| DN200 | 8" | 170 | 251 | 40 | 298.4 | 280 | 60 | |
| DN250 | 10" | 210 | 280 | 45 | 361.9 | 350 | 68 | |
| DN300 | 12" | 240 | 315 | 45 | 431.8 | 400 | 78 | |
| DN350 | 14" | 260 | 348 | 45 | 476.2 | 445 | 78 | |
| DN400 | 16" | 295.5 | 392.5 | 52 | 540 | 510 | 102 | |
| DN450 | 18" | 401.5 | 322.5 | 52 | 585 | 565 | 114 | |
| DN500 | 20" | 451.5 | 362.5 | 64 | 650 | 620 | 127 | |
| DN600 | 24" | 541.5 | 428.5 | 70 | 770 | 725 | 154 | |
| DN700 | 28" | 缺數據 | ||||||
| DN800 | 32" | |||||||
| DN900 | 36" | |||||||
| DN1000 | 40" | |||||||
| DN1200 | 44" | |||||||
產品專利
新型蝶閥閥體專利 CN201520267217.9
般德閥門專利閥體,蝶閥閥體能適用于主要工業國家對管道側法蘭的規定安裝,增加了蝶閥的適用范圍。
蝶閥外觀專利 CN201830771212.9
采用般德閥門專利閥體外觀。
蝶閥寬邊閥座專利 CN201520397103.6
般德閥門專利寬邊閥座,閥座具有密封面寬、密封效果好、安裝拆卸簡單等效果,大大地解決了傳統蝶閥閥座密封面泄漏等問題。
語言:簡體中文
English
Русский
簡體中文












