-
閥體精密鑄造
閥體全部為,二次拋丸處理、外觀精細,無沙眼、每批鑄件都有爐號標志,方便生產跟蹤
-
閘板磨平拋光處理
進行3次磨平、5次拋光、確保閘板與閥體緊密結合,保證其密封性。
-
閥桿加裝軸承不易變形
閥桿加裝軸承,并帶安全防塵罩,保護軸承,減少摩擦力,閥桿不易變形,增加使用壽命
-
上填料密封嚴實
上填料采取PTFE外包橡膠形式密封,可以增加彈性,降低上密封漏現象
-
閥座不易脫落
閥座U型密封圈添加鋼絲,確保閥座與閥體的連接,不易脫落
-
雙層壓力檢測
每臺閥門出廠均按照國家標準做殼體、密封雙層壓力檢測
-
閥體用粉沫環氧樹脂靜電涂裝
閥體采用粉沫環氧樹脂靜電涂裝,噴涂厚度達到250μm,有效防止閥體與介質接觸造成的腐蝕與生銹,并可用于污水系統
-
IP67級電動執行器
電動執行器防護等級達到IP67
-
產品優點
產品介紹
刀閘閥又稱刀型閘閥、漿液閥、泥漿閥,它的啟閉件是閘板,閘板的運動方向與流體方向相垂直,靠可以切割纖維材料的刀刃形閘板來切斷介質;閘板在側面導向槽內升降,并由底部的凸耳緊壓在閥座上,如需達到較高的介質密封性時,可選用O形密封閥座實現雙向密封。刀閘閥具有較小的安裝空間,工作壓力低,使用壽命長,維護簡單。
產品參數

執行標準 | 名稱 | 設計及制造 | 結構長度 | 試壓標準 | 連接法蘭尺寸 | |||||||
參照標準 | JB/T 8691-2013 MSS SP-81 |
GB/T 12221-2005 MSS SP-81 |
GB/T 13927-2008 | GB/T 9113-2010 DIN EN 1092-1 ASME B16.5 |
||||||||
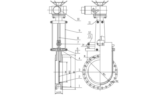
主要零部件信息 | 名稱 | 1-閥體 | 2-閥座密封 | 3-閥板 | 7-閥桿 | 8-氣動執行器 | ||||||
材質及說明 | 鑄鋼WCB | EPDM | 304 | 2Cr13 | 組件 | |||||||
尺寸信息 | 公稱尺寸 | PN10 | PN16 | 150LB | ||||||||
DN | NPS(英寸) | L | D1 | N-M | Z-φd | D1 | N-M | Z-φd | D1 | N-UNC | Z-φd | |
50 | 2'' | 48 | 125 | 2-M16 | 2-φ18 | 125 | 2-M16 | 2-φ18 | 120.7 | 2-UNC5/8-11 | 2-φ19 | |
65 | 2 1/2'' | 48 | 145 | 2-M16 | 2-φ18 | 145 | 2-M16 | 2-φ18 | 139.7 | 2-UNC5/8-11 | 2-φ19 | |
80 | 3'' | 51 | 160 | 2-M16 | 6-φ18 | 160 | 2-M16 | 6-φ18 | 152.4 | 2-UNC5/8-11 | 2-φ19 | |
100 | 4'' | 51 | 180 | 2-M16 | 6-φ18 | 180 | 2-M16 | 6-φ18 | 190.5 | 2-UNC5/8-11 | 6-φ19 | |
125 | 5'' | 57 | 210 | 2-M16 | 6-φ18 | 210 | 2-M16 | 6-φ18 | 215.9 | 2-UNC3/4-10 | 6-φ22 | |
150 | 6'' | 57 | 240 | 2-M20 | 6-φ22 | 240 | 2-M20 | 6-φ22 | 241.3 | 2-UNC3/4-10 | 6-φ22 | |
200 | 8'' | 70 | 295 | 2-M20 | 6-φ22 | 295 | 4-M20 | 8-φ22 | 298.5 | 2-UNC3/4-10 | 6-φ22 | |
250 | 10'' | 70 | 350 | 4-M20 | 8-φ22 | 355 | 4-M24 | 8-φ26 | 362 | 4-UNC7/8-9 | 8-φ25 | |
300 | 12'' | 76 | 400 | 4-M20 | 8-φ22 | 410 | 4-M24 | 8-φ26 | 431.8 | 4-UNC7/8-9 | 8-φ25 |
