-
不銹鋼材質保化驗
所有不銹鋼304/316等材質均達標,保化驗,可提供材質單;
-
數控精密機床加工
閥體及內件均為數控精密機床加工,精度高;
-
橡膠閥座無泄漏
閥座橡膠使用符合標準的EPDM橡膠,蝶閥的回彈性及拉力更穩定可靠,啟閉10000次以上無泄漏。
-
不銹鋼緊固件
緊固標準件均采用不銹鋼材質,更耐腐蝕;
-
雙層壓力檢測
每臺閥門出廠均按照國家標準做殼體、密封雙層壓力檢測;
-
-
-
-
產品優點
產品介紹
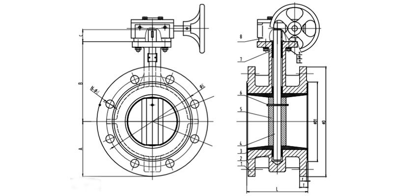
般德閥門不銹鋼法蘭蝶閥D341X-16P產品配置:不銹鋼體,304板,420軸,EPDM閥座,驅動有蝸輪、電動、氣動可選擇;該閥門廣泛應用于市政建設、水利工程、電力、給排水、水處理等領域。
產品參數
| 執行標準 | 名稱 | 設計及制造 | 結構長度 | 試壓標準 | 側法蘭尺寸 | ||||
| 參照標準 | GB/T 12238 | GB/T 12221 | GB/T 13927 | GB/T 9113/ASME B16.5 | |||||
| 主要零部件信息 | 名稱 | 1-閥體 | 3-閥座密封 | 5-蝶板 | 4-閥軸 | 8-蝸輪 | |||
| 材質及說明 | CF8/CF8M | EPDM/NBR | CF8/CF8M | 420 | 組件 | ||||
| 尺寸信息 | 公稱尺寸 | PN10 | PN16 | 150LB | |||||
| DN | NPS(英寸) | L | φk | N-φd | φk | N-φd | φk | N-φd | |
| 50 | 2'' | 108 | 125 | 4-18 | 125 | 4-18 | 120.7 | 4-19 | |
| 65 | 2 1/2'' | 112 | 145 | 4-18 | 145 | 4-18 | 139.7 | 4-19 | |
| 80 | 3'' | 114 | 160 | 8-18 | 160 | 8-18 | 152.4 | 4-19 | |
| 100 | 4'' | 127 | 180 | 8-18 | 180 | 8-18 | 190.5 | 8-19 | |
| 125 | 5'' | 140 | 210 | 8-18 | 210 | 8-18 | 215.9 | 8-22.4 | |
| 150 | 6'' | 140 | 240 | 8-22 | 240 | 8-22 | 241.3 | 8-22.4 | |
| 200 | 8'' | 152 | 295 | 8-22 | 295 | 12-22 | 298.4 | 8-22.4 | |
| 250 | 10'' | 165 | 350 | 12-22 | 355 | 12-26 | 361.9 | 12-25.4 | |
| 300 | 12'' | 178 | 400 | 12-22 | 410 | 12-26 | 431.8 | 12-25.4 | |
| 350 | 14'' | 190 | 460 | 16-22 | 470 | 16-26 | 476.2 | 12-28.4 | |
| 400 | 16'' | 216 | 515 | 16-26 | 525 | 16-30 | 539.7 | 16-28.4 | |
| 450 | 18'' | 222 | 565 | 20-26 | 585 | 20-30 | 577.8 | 16-31.8 | |
| 500 | 20'' | 229 | 620 | 20-26 | 650 | 20-33 | 635 | 20-31.8 | |
| 600 | 24'' | 267 | 725 | 20-30 | 770 | 20-36 | 749.3 | 20-35.1 | |
| 700 | 28'' | 292 | 840 | 24-30 | 840 | 24-36 | 863.6 | 28-35.1 | |
| 800 | 32'' | 318 | 950 | 24-33 | 950 | 24-39 | 977.9 | 28-41.1 | |
| 900 | 36'' | 330 | 1050 | 28-33 | 1050 | 28-39 | 1085.8 | 32-41.1 | |
| 100 | 40'' | 410 | 1160 | 28-36 | 1170 | 28-42 | 1200.2 | 36-41.1 | |
| 1200 | 48'' | 470 | 1380 | 32-39 | 1390 | 32-48 | 1422.4 | 44-41.1 | |
語言:簡體中文
English
Русский
簡體中文












