-
主體材質達標
主體采用Q235碳素鋼材質,材質合格保化驗,符合國家標準;
-
閥門尺寸精確
閥體及內件均采用數控機床加工,尺寸精確;
-
焊縫嚴密
焊縫嚴密平整無泄漏;
-
環氧樹脂噴涂
采用環氧樹脂噴涂,保證外觀;
-
不銹鋼螺栓
螺栓均采用不銹鋼材質;
-
層層質檢
從零件到成品出廠,每個環節層層質檢,確保合格。
-
-
-
產品優點
產品介紹
通風蝶閥采用鋼板焊接制造,具有結構尺寸短,重量輕,安裝方便等特點。該閥驅動力矩小,啟閉靈活,操作方便。蝶板與閥體間的膨脹間隙大,能有效防止因熱漲冷縮造成的卡死現象。可配備多種驅動裝置,如手動裝置、蝸輪傳動裝置、氣動裝置、電動裝置。
通風蝶閥適用溫度隨閥體選材而定,公稱壓力≤1.0MPa,一般適用于工業、冶金、環保、化工、建材、電站、玻璃等行業中的通風、環保工程的含塵冷風或熱風氣體管道中,作為氣體介質調節流量或切斷的管道控制裝置。通風蝶閥在管道中一般應當水平安裝。
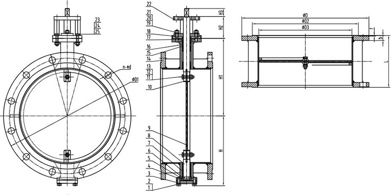
產品參數
| 執行標準 | 名稱 | 設計制造 | 結構長度 | 法蘭連接 | 檢驗試驗 | ||
| 參照標準 | GB/T 12238;JB/T 8692 | GB/T 12221 | GB/T 9115 | GB/T 13927 | |||
| 主要零部件信息 | 名稱 | 14-閥體 | 9-閥板 | 8-閥軸 | 驅動 | ||
| 材質 | Q235 | Q235 | 420 | 手柄/蝸輪/電動/氣動 | |||
| 尺寸信息 | DN | NPS | L | φD | φD1 | φD2 | n-φd |
| 50 | 2'' | 108 | 140 | 110 | 88 | 4-14 | |
| 65 | 2 1/2'' | 112 | 160 | 130 | 110 | 4-14 | |
| 80 | 3'' | 114 | 190 | 150 | 128 | 4-18 | |
| 100 | 4'' | 127 | 210 | 170 | 148 | 4-18 | |
| 125 | 5'' | 140 | 240 | 200 | 178 | 8-18 | |
| 150 | 6'' | 140 | 265 | 225 | 202 | 8-18 | |
| 200 | 8'' | 152 | 315 | 280 | 258 | 8-18 | |
| 250 | 10'' | 165 | 370 | 335 | 312 | 12-18 | |
| 300 | 12'' | 178 | 435 | 395 | 363 | 12-22 | |
| 350 | 14'' | 190 | 485 | 445 | 415 | 12-22 | |
| 400 | 16'' | 216 | 535 | 495 | 465 | 16-22 | |
| 450 | 18'' | 222 | 590 | 550 | 520 | 16-22 | |
| 500 | 20'' | 229 | 645 | 600 | 570 | 20-22 | |
| 600 | 24'' | 267 | 755 | 705 | 670 | 20-26 | |
語言:簡體中文
English
Русский
簡體中文












