-
鋁合金材料閥體,防結露
閥體采用高性能鋁合金材料,能有效地防止閥體部分的溫差,達到了執行器和法蘭表面無結露;
-
閥體材料性能高
閥體材料具有低吸水性、抗腐蝕性、絕熱膈冷性等,是普通材料的4倍;
-
304材質閥板
閥板采用304材質,機械性能和防腐性能完全達標;
-
EPDM橡膠閥座,密封性好
閥座橡膠使用符合標準的的EPDM橡膠,使蝶閥的回彈性及拉力超級穩定可靠,啟閉10000次以上無泄漏;
-
PE熱縮塑封包裝
引進電子產品的PE熱縮塑封包裝工藝,每臺般德產品均采用熱縮膜獨立包裝,并內置干燥劑,隔離空氣灰塵利于存放,避免受潮引起的產品銹蝕;
-
專屬ID身份編
每一臺般德產品從配件到成品都有其獨立的二維碼標識,專屬ID身份編號,保證產品可追溯;
-
自動生成檢驗報告
般德智能檢測設備集標準數據測量和壓力檢測為一體,每張檢驗報告自動生成,每份數據和報告保存5年,保證出廠合格率;
-
兩年內壞一個賠兩個
般德品牌產品國內外各有太平洋保險500萬保額的品質承保(保單號:ATIJ04007120Q000006E),承保范圍29類,共1000余種產品,質保2年,兩年內壞一個賠兩個。
-
產品優點
產品介紹
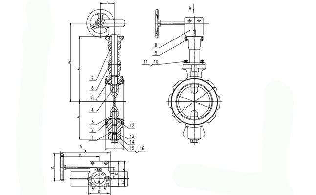
般德閥門渦輪防結露鋁合金蝶閥D371X-10/16AL產品配置:鋁合金體,304板,410軸,EPDM/NBR閥座,蝸輪驅動;該產品廣泛應用于市政建設、水利工程、電力、給排水、水處理等領域。
產品參數
| 執行標準 | 名稱 | 設計及制造 | 結構長度 | 試壓標準 | 上法蘭尺寸 | ||||||||
| 參照標準 | JIS B2032 | JIS B2002 | GB/T 13927-2008 | ISO 5211 | |||||||||
| 主要零部件信息 | 名稱 | 1-閥體 | 2-閥座 | 3-蝶板 | 4-閥軸 | 8-蝸輪 | |||||||
| 材質 | 鋁合金 | EPDM/NBR | 304/316 | 416/304/316 | 組合件 | ||||||||
| 尺寸信息 | 口徑 | d | L | Z | H1 | H2 | H3 | L1 | L2 | L3 | D1 | 重量/kg | |
| DN50 | 2" | 52 | 43 | 101.3 | 65 | 130 | 157 | 43.5 | 45 | 67 | 120 | 2.15 | |
| DN65 | 2.5" | 67 | 46 | 121 | 75 | 140 | 167 | 43.5 | 45 | 67 | 120 | 2.55 | |
| DN80 | 3" | 81.5 | 46 | 130.7 | 83 | 153 | 180 | 43.5 | 45 | 67 | 120 | 2.65 | |
| DN100 | 4" | 103 | 52 | 156 | 97 | 168 | 196 | 43.5 | 45 | 67 | 120 | 3.15 | |
| DN125 | 5" | 125 | 56 | 185.9 | 119 | 203 | 231 | 43.5 | 45 | 67 | 120 | 4.95 | |
| DN150 | 6" | 149 | 59 | 218 | 134 | 215 | 243 | 43.5 | 45 | 67 | 120 | 5.9 | |
| DN200 | 8" | 199 | 60 | 267 | 170 | 246 | 273 | 52 | 46 | 75 | 160 | 8.5 | |
| DN250 | 10" | 248 | 68 | 315 | 214 | 330 | 370 | 67 | 81 | 99 | 250 | 18.35 | |
| DN300 | 12" | 298 | 78 | 364 | 251 | 358 | 398 | 67 | 81 | 99 | 250 | 22.8 | |
語言:簡體中文
English
Русский
簡體中文









