-
指示器
NAMUR標準指示器便于安裝位置開關、定位器等附件
-
輸出軸
采用合金鋼、高精密一體式輸出軸,同時符合NAMUR、ISO5211、 DIN3337標準。可根據客戶要求定制尺寸和不銹鋼材料。
-
缸體
ASTM6005壓鑄鋁合金缸體可以采用硬質氧化、環氧樹脂噴涂、PTFE涂層或鍍鎳滿足不同要求。
-
端蓋
壓鑄鋁合金表面金屬粉末噴涂各種顏色、PTFE涂層或鍍鎳處理。
-
活塞
雙活塞齒條、采用鑄鋁硬質氧化或者鑄鋼鍍鋅處理,安裝位置對稱、運作迅速、使用壽命長,簡單的顛倒活塞可以改變旋轉方向。
-
行程調節
兩個獨立的行程調節螺釘可以進行方便、精確±5°的調節開、 關位置。
-
高性能彈簧
采用優質材料、涂層處理,預壓裝配。具有較強的抗腐蝕性和使用壽命。能夠安全、簡單的拆卸單作用執行器,通過改變彈簧數量滿足不同的力矩輸出范圍。
-
軸承、導板
釆用低摩擦、長壽命復合材料,避免了金屬與金屬的直接接觸,維修更換簡單方便。
-
產品優點
產品介紹
AT系列氣動執行器是雙活塞齒條與齒輪轉動結構設計,分為雙作用與單作用(彈簧復位);適用于蝶閥、球閥、旋塞閥等90°旋轉啟閉的閥門;由于AT氣動執行器有結構簡單、輸出力矩大、動作平穩可靠、防護安全等優點,在市政建設、水利工程、電力、給排水及石油化工等行業中得到廣泛的應用。
產品參數
| 主要零部件信息 | |||||
| 名稱 | 缸體 | 指示器 | 卡簧 | 齒軸 | 堵頭 |
| 材料 | 鑄鋁 | 塑料 | 不銹鋼 | 合金鋼 | 丁腈橡膠 |
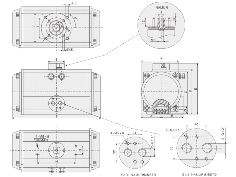
| 型號 | A | B | C | D | E | F | G | H | I | J | K | L | M | N | Z | φ | 氣源接口 |
| AT52 | 30 | 41.5 | 65.5 | 72 | 92 | 65 | 30 | 80 | φ36 | φ50 | 4-M5×8 | 4-M6×10 | 11 | 14 | 147 | φ40 | NAMUR G1/4" |
| AT65 | 37.5 | 46 | 81 | 89 | 109 | 73.5 | 30 | 80 | φ50 | φ70 | 4-M6×10 | 4-M8×13 | 14 | 18 | 170 | φ40 | NAMUR G1/4" |
| AT75 | 42 | 53 | 94 | 100 | 120 | 81 | 30 | 80 | φ50 | φ70 | 4-M6×10 | 4-M8×13 | 14 | 18 | 184 | φ40 | NAMUR G1/4" |
| AT85 | 46 | 57 | 98.5 | 108.5 | 128.5 | 92 | 30 | 80 | φ50 | φ70 | 4-M6×10 | 4-M8×13 | 17 | 21 | 206 | φ40 | NAMUR G1/4" |
| AT92 | 50 | 58.5 | 111 | 116.5 | 136.5 | 98 | 30 | 80 | φ50 | φ70 | 4-M6×10 | 4-M8×13 | 17 | 21 | 262 | φ40 | NAMUR G1/4" |
| AT105 | 57.5 | 64 | 122.5 | 134 | 154 | 109.5 | 30 | 80 | φ70 | φ102 | 4-M8×13 | 4-M10×16 | 22 | 26 | 282 | φ40 | NAMUR G1/4" |
| AT125 | 71 | 74.5 | 150 | 160 | 180 | 133.5 | 30 | 80 | φ70 | φ102 | 4-M8×13 | 4-M10×16 | 22 | 26 | 304 | φ55 | NAMUR G1/4" |
| AT140 | 75 | 77 | 162 | 174 | 194 | 137.5 | 30 | 80 | φ102 | φ125 | 4-M10×16 | 4-M12×20 | 27 | 31 | 396 | φ55 | NAMUR G1/4" |
| AT160 | 87 | 87 | 185 | 198.5 | 218.5 | 158.5 | 30 | 80 | φ102 | φ125 | 4-M10×16 | 4-M12×20 | 27 | 31 | 445 | φ55 | NAMUR G1/4" |
| AT190 | 103 | 103 | 216 | 232 | 262 | 189 | 30 | 130 | φ140 | 4-M16×25 | 36 | 50 | 532 | φ80 | NAMUR G1/4" | ||
| AT210 | 113 | 113 | 235.5 | 257 | 287 | 210 | 30 | 130 | φ140 | 4-M16×25 | 36 | 50 | 536 | φ80 | NAMUR G1/4" | ||
| AT240 | 130 | 130 | 264.5 | 292 | 322 | 245 | 30 | 130 | φ165 | 4-M20×25 | 46 | 60 | 602 | φ80 | NAMUR G1/4" | ||
| AT270 | 147 | 147 | 299 | 332 | 362 | 273 | 30 | 130 | φ165 | 4-M20×25 | 46 | 60 | 722 | φ80 | NAMUR G1/2" |
語言:簡體中文
English
Русский
簡體中文











