-
主體材質達標
主體材質選用QT450或WCB,化學成分和力學性能達到國家規定標準要求,可提供材質報告;
-
產品精度有保障
所有閥體及零部件均采用數控機床加工,確保產品精度;
-
材質可選配
有橡膠軟密封及不銹鋼硬密封可選,閥板及其他零部件也可根據工況選配材質;
-
閥座耐磨壽命長
閥座堆焊不銹鋼,更耐磨,使用壽命更長;
-
閥軸自潤滑
閥軸采用自潤滑式套筒軸承支撐,減少摩擦和扭矩;
-
阿克蘇環氧樹脂噴涂
采用世界品牌阿克蘇環氧樹脂噴涂,噴涂厚度達250um;
-
按照國家標準試壓
每臺閥門出廠必須按照國家標準試壓,不合格產品絕不出廠。
-
-
產品優點
產品介紹
般德閥門生產的DN2600法蘭雙偏心蝶閥,密封圈可更換,配備耐磨不銹鋼閥座,閥門更耐用,使用壽命更長,產品廣泛應用于污水處理、水利工程、給排水項目、市政建設等領域。
產品參數
| 執行標準 | 名稱 | 設計及制造 | 結構長標準 | 法蘭連接標準 | 試壓標準 | ||
| 參照標準 | GB/T 12238 | GB/T 12221 | GB/T 17241.6 | GB/T 13927 | |||
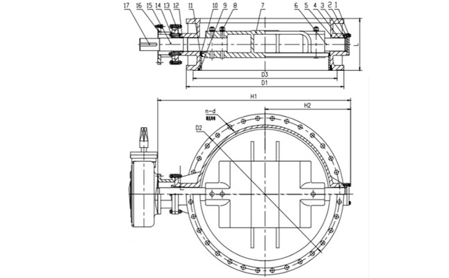
| 主要零部件信息 | 名稱 | 5-閥體 | 7-閥板 | 6-閥軸 | 10-密封膠條 | 11-閥體密封圈 | |
| 材質 | QT450-10 | QT450-10 | 2Cr13 | NBR | 304 | ||
| 尺寸信息 | 公稱尺寸 | PN10 | PN16 | ||||
| DN | NPT | L | D2 | n-d | D2 | n-d | |
| 100 | 4'' | 127 | 180 | 8-φ19 | 180 | 8-φ19 | |
| 125 | 5'' | 140 | 210 | 8-φ19 | 210 | 8-φ19 | |
| 150 | 6'' | 140 | 240 | 8-φ22 | 240 | 8-φ22 | |
| 200 | 8'' | 152 | 295 | 8-φ22 | 295 | 12-φ22 | |
| 250 | 10'' | 165 | 350 | 12-φ22 | 355 | 12-φ28 | |
| 300 | 12'' | 178 | 400 | 12-φ22 | 410 | 12-φ28 | |
| 350 | 14'' | 190 | 460 | 16-φ22 | 470 | 16-φ28 | |
| 400 | 16'' | 216 | 515 | 16-φ28 | 525 | 16-φ31 | |
| 450 | 18'' | 222 | 565 | 20-φ28 | 585 | 20-φ31 | |
| 500 | 20'' | 229 | 620 | 20-φ28 | 650 | 20-φ34 | |
| 600 | 24'' | 267 | 725 | 20-φ31 | 770 | 20-φ37 | |
| 700 | 28'' | 292 | 840 | 24-φ31 | 840 | 24-φ37 | |
| 800 | 32'' | 318 | 950 | 24-φ34 | 950 | 24-φ40 | |
| 900 | 36'' | 330 | 1050 | 28-φ34 | 1050 | 28-φ40 | |
| 1000 | 40'' | 410 | 1160 | 28-φ37 | 1170 | 28-φ43 | |
| 1200 | 48'' | 470 | 1380 | 32-φ40 | 1390 | 32-φ49 | |
| 1400 | 56'' | 530 | 1590 | 36-φ43 | 1590 | 36-φ49 | |
| 1600 | 64'' | 600 | 1820 | 40-φ49 | 1820 | 40-φ56 | |
| 1800 | 72'' | 670 | 2020 | 44-φ49 | 2020 | 44-φ56 | |
| 2000 | 80'' | 760 | 2230 | 48-φ49 | 2230 | 48-φ62 | |
| 2200 | 88'' | 800 | / | ||||
| 2400 | 96'' | 850 | |||||
| 2600 | 104'' | 900 | |||||
| 2800 | 112'' | 950 | |||||
| 3000 | 120'' | 1000 | |||||
語言:簡體中文
English
Русский
簡體中文











