-
化學穩定性高
波紋管主體采用PTFE全四氟材質,具有極高的化學穩定性,耐絕大多數腐蝕性介質;
-
符合國家標準
不銹鋼材質法蘭化學成分和力學性能完全符合國家標準;
-
模鍛生產法蘭
法蘭均采模鍛生產,晶體組織細密,強度高,不會出現晶粒大或不均,硬化裂紋現象;
-
裝限位拉桿
加裝限位拉桿,保護四氟波紋;
-
增加抗壓環
波紋管上增加抗壓環,提高波紋管強度。
-
-
-
-
產品優點
產品介紹
波紋補償器是現在管道中經常使用的補償元件之一。它主要利用其工作主體波紋管的有效伸縮變形,以吸收管道由熱脹冷縮等原因而產生的尺寸變化,或補償管道的軸向、橫向和角向位移。
產品參數

名稱 | 設計及制造 | 試壓標準 | 法蘭標準 |
參照標準 | GB/T 12777 | GB/T 12777 | GB/T 9113 ASME B16.5 |
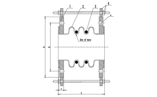
名稱 | 1-法蘭 | 2-波紋管 | 3-抗壓環 | 4-限位螺桿 |
材質及說明 | 316 | PTFE | 316 | 316 |
DN | NPS | L | ΦD | ΦK | n-Φd |
50 | 2'' | 120 | 150 | 120.5 | 4-18 |
65 | 2 1/2'' | 120 | 180 | 139.5 | 4-18 |
80 | 3'' | 120 | 190 | 152.5 | 4-18 |
100 | 4'' | 120 | 230 | 190.5 | 8-18 |
125 | 5'' | 140 | 255 | 216 | 8-22 |
150 | 6'' | 140 | 280 | 241.3 | 8-22 |
200 | 8'' | 150 | 345 | 298.5 | 8-22 |
250 | 10'' | 150 | 405 | 362 | 12-26 |
300 | 12'' | 160 | 485 | 431.8 | 12-26 |
350 | 14'' | 170 | 535 | 476.3 | 12-29 |
400 | 16'' | 170 | 595 | 539.8 | 16-29 |
