-
產品可追溯
每一臺般德產品都擁有自己的ID編號。
-
寬邊閥座 密封更可靠
閥座均為寬邊閥座,密封面寬度更寬,寬度達到相應法蘭的密封面寬度要求,閥門端部密封更易保證,密封更可靠。
-
阿克蘇JQ0220噴漆
采用阿克蘇JQ0220,附著力劃格法0-1級通過,沖擊強度50kg.cm正沖通過。
-
閥體壁厚承壓強度高
閥體壁厚滿足GB26640的要求,保證承壓強度。
-
超聲波清洗 保證閥門清潔度
產品包裝前進行超聲波清洗,杜絕污物及顆粒性雜志在閥體內存留,保證閥門清潔度和防止閥門本身對管道水體的污染。
-
標牌臺位置方便客戶查看
標牌臺位置采用人性化設計,設置在閥門兩側,安裝后方便客戶查看。
-
-
-
產品優點
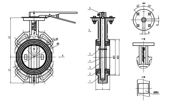
產品介紹
般德DN100鑄鐵對夾蝶閥D71X-10/16,產品配置:對夾灰鐵多標準體,DI鍍鎳板,45#軸,寬邊EPDM閥座,球鐵手柄。主要應用于市政建設、水利工程、給排水、水處理等領域。
產品參數
手動蝶閥D71X-10規格尺寸
| 執行標準 | 名稱 | 設計及制造 | 結構長度 | 試壓標準 | |||||||
| 參照標準 | GB/T 12238 | GB/T 12221 | GB/T 13927 | ||||||||
| 零部件信息 | 名稱 | 閥體 | 閥座 | 蝶板 | 閥軸 | 驅動方式 | 螺栓 | 銷子 | |||
| 材質及說明 | CI | 寬邊50%含膠量EPDM | DI鍍鎳 | 45# | 球鐵手柄 | 201 | 304 | ||||
| 尺寸信息 | 公稱尺寸 | PN 10 | PN 16 | Class150 | JIS 10K | ||||||
| DN | NPS(英寸) | L | ΦK | N-Φd | ΦK | N-Φd | ΦK | N-Φd | ΦK | N-Φd | |
| 50 | 2" | 43 | 125 | 4-Φ18 | 125 | 4-Φ18 | 120.7 | 4-Φ19 | 120 | 4-Φ19 | |
| 65 | 2 1/2" | 46 | 145 | 4-Φ18 | 145 | 4-Φ18 | 139.7 | 4-Φ19 | 140 | 4-Φ19 | |
| 80 | 3" | 46 | 160 | 8-Φ18 | 160 | 8-Φ18 | 152.4 | 4-Φ19 | 150 | 8-Φ19 | |
| 100 | 4" | 52 | 180 | 8-Φ18 | 180 | 8-Φ18 | 190.5 | 8-Φ19 | 175 | 8-Φ19 | |
| 125 | 5" | 56 | 210 | 8-Φ18 | 210 | 8-Φ18 | 215.9 | 8-Φ22.4 | 210 | 8-Φ23 | |
| 150 | 6" | 56 | 240 | 8-Φ22 | 240 | 8-Φ22 | 241.3 | 8-Φ22.4 | 240 | 8-Φ23 | |
| 200 | 8" | 60 | 295 | 8-Φ22 | 295 | 12-Φ22 | 298.4 | 8-Φ22.4 | 290 | 12-Φ23 | |
產品專利
新型蝶閥閥體專利 CN201520267217.9
般德閥門專利閥體,蝶閥閥體能適用于主要工業國家對管道側法蘭的規定安裝,增加了蝶閥的適用范圍。
蝶閥外觀專利 CN201830771212.9
采用般德閥門專利閥體外觀。
蝶閥寬邊閥座專利 CN201520397103.6
般德閥門專利寬邊閥座,閥座具有密封面寬、密封效果好、安裝拆卸簡單等效果,大大地解決了傳統蝶閥閥座密封面泄漏等問題。
語言:簡體中文
English
Русский
簡體中文












