-
高彈性閥座橡膠
閥座橡膠含膠率50%,經仿真啟閉實驗1萬次以上,無泄漏。
-
阿克蘇環氧塑粉
閥體噴涂采用阿克蘇的環氧樹脂塑粉,附著力強,劃格法0-1級通過;沖擊強度高,50kg?cm正沖通過;耐候性好,戶內戶外均可使用。
-
POF熱縮膜獨立包裝
DN200以下口徑采用POF熱縮膜膜獨立包裝,DN250以上采用氣泡袋或纏繞膜包裝,內置干燥劑,防潮、防淋、隔灰塵。
-
圓潤球鐵手柄
手柄采用球鐵材質,比沖壓手柄耐銹蝕能力強33%左右;彈簧,銷子材質均為304,抗腐蝕強,更耐用。半圓形握把兒,無棱角,手感好。
-
產品可追溯
每一臺般德產品都有專屬的ID編號。
-
可提供試壓報告
所有般德的產品,均可提供出廠試壓報告。
-
304不銹鋼標牌
304標牌,激光刻標,字跡清晰,存留時間長。不銹鋼鉚釘固定,外觀美觀,連接牢靠。
-
質保兩年
般德品牌產品國內外各有太平洋保險500萬保額的品質承保(保單號:ATIJ04007120Q000006E),承保范圍29類,共1000余種產品,質保2年,兩年內壞一個賠兩個。
-
產品優點
產品介紹
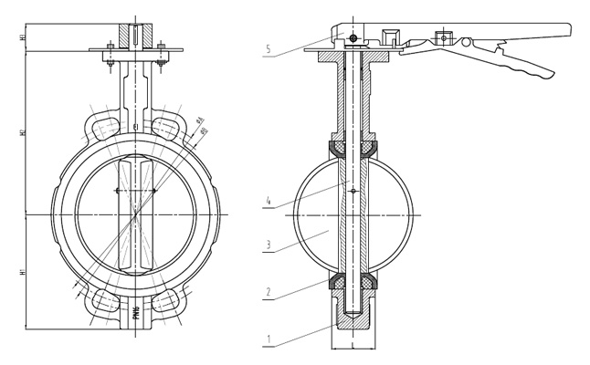
D71X-16軟密封對夾蝶閥是蝶閥的一種,屬于軟密封蝶閥,是用蝶板的啟閉件轉動0-90°來開啟和關閉的通道的旋轉閥。該閥門由EPDM閥座和球墨鑄鐵蝶板、球墨鑄鐵閥體、不銹鋼閥桿構成。該蝶閥結構簡單,性能好,拆裝方便快捷,使用廣泛。
產品參數
D71X-16手動對夾蝶閥參數信息
| 閥門執行標準 | 名稱 | 設計及制造 | 結構長度 | 試壓標準 | 上法蘭尺寸 | 側法蘭尺寸 | ||
| 參照標準 | GB/T 12238-2008 | GB/T 12221-2008 | GB/T 13927-2008 | ISO 5211 | CLASS 150/PN16/10K/BS PN16 | |||
| 主要零部件信息 | 名稱 | 1-閥體 | 2-閥座 | 3-蝶板 | 4-閥軸 | 5-手柄 | ||
| 材質 | 球鐵/鑄鐵/鑄鋼/CF8 | 三元乙丙橡膠EPDM | 球鐵/鑄鋼/CF8 | 不銹鋼410 | 碳鋼 | |||
| 尺寸信息 | DN | IN | H1 | H2 | H3 | ∅A | ∅B | L |
| DN50 | 2" | 75 | 139 | 32 | 125 | 105 | 43 | |
| DN65 | 2.5" | 83.5 | 152.5 | 32 | 145 | 140 | 46 | |
| DN80 | 3" | 96 | 160 | 32 | 160 | 150 | 46 | |
| DN100 | 4" | 116.5 | 173.5 | 32 | 190.5 | 175 | 52 | |
| DN125 | 5" | 128.5 | 191.5 | 32 | 216 | 200 | 56 | |
| DN150 | 6" | 140.2 | 205.2 | 32 | 241.3 | 225 | 56 | |
| DN200 | 8" | 176 | 242 | 40 | 298.4 | 280 | 60 | |
產品專利
新型蝶閥閥體專利 CN201520267217.9
般德閥門專利閥體,蝶閥閥體能適用于主要工業國家對管道側法蘭的規定安裝,增加了蝶閥的適用范圍。
蝶閥外觀專利 CN201830771212.9
采用般德閥門專利閥體外觀。
語言:簡體中文
English
Русский
簡體中文












